Project Detail & Scope of Works
Project Detail
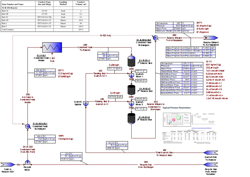
- Hydrotreating Process Feasibility Study
Scope of Works
- Hydrotreating Process Licensor Study
Objective
- Process study prior to licensor selection therefore the licensor selection will be fit to purpose
- BIM’s Hydrotreater process know how is beneficial to predict the licensor design



